С правилами ознакомлен(а) Авторизация
Авторизация нужна для сохраниения Вашего "Избранного".
Войти через:

Дорогие посетители! В последнее время возникают проблемы с мобильной связью. Если вы не смогли дозвониться, пишите - мессенджер/ эл.почта/ заказ звонка. Со всеми обязательно свяжемся). Приносим свои извинения за временные неудобства.

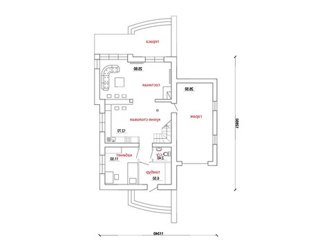
  • Первый этаж:
    Первый этаж::
    Первый этаж::
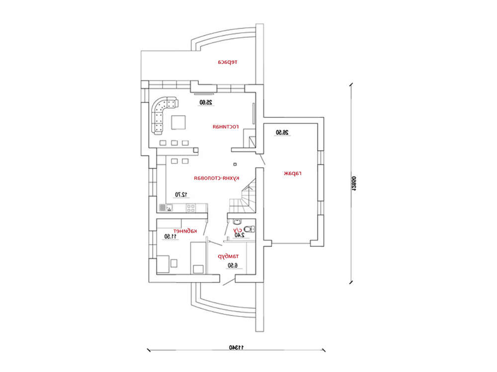
    Второй этаж:
    Второй этаж::
    Второй этаж::
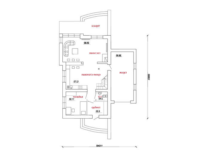
    Чердак:
    Чердак::
    Чердак::
  • 4M807 Оригинальный проект дома с двухскатной крышей

    Артикул4M807
    Количество этажей:3
    Общая площадь:155.00 м2
    Высота потолка:2.80 м
    Количество спален:3
    Количество санузлов:2
    Гараж:Гараж на одно авто
    Минимальный размер участка(длина):19.00 м
    Минимальный размер участка(ширина):18.00 м
    Материалы:
    Стены:газобетон, керамические блоки
    Перекрытие:монолитное перекрытие
    Кровля:керамическая черепица, металлочерепица, цементно-песчаная черепица
    Фундамент:монолитная лента

    Ваш помощник свяжется с Вами в ближайшее время.

    Заполни

    Ваши данные защищены

Планы этажей
  • Первый этаж:
    Первый этаж:
    Первый этаж:
    Второй этаж:
    Второй этаж:
    Второй этаж:
    Чердак:
    Чердак:
    Чердак:
Фасады и расположение на участке
Состав проекта

Приобретая проект дома в компании Dom4M, Вы получаете комплект чертежей - 2 экземпляра, необходимый для проведения строительных работ и беспрепятственного получения разрешения на строительство.

Проект содержит три раздела – АрхитектурныйКонструктивный и Инженерный: водоснабжение, отопление, вентиляция, канализация, электроснабжение (приобретается за дополнительную плату) + Пояснительная записка.

1. Архитектурный раздел:

  • Общие данные по проекту
  • План координационных осей
  • Поэтажные кладочные планы
  • Поэтажные маркировочные планы с экспликацией помещений
  • План кровли
  • Разрезы и состав конструкций
  • Фасады с ведомостью внешних отделок
  • Элементы проемов – спецификация
  • Ведомость перемычек – сечения и спецификация
  • Экспликация полов
  • Объемы основных строительных материалов
  • Архитектурные узлы в конструкциях

2. Конструктивный раздел:

  • Общие данные по проекту
  • Схемы расположения и расчеты фундаментов
  • Элементы каркаса – схемы расположения
  • Схема расположения перекрытий
  • Опоры перекрытия на стены или Узлы армирования
  • Элементы кровли – схемы расположения
  • Чертежи отдельных элементов, узлы крепления, сечения
  • Ведомости расхода стали и бетона

3.  Инженерный раздел (приобретается по желанию за дополнительную плату):

              Водоснабжение и канализация

  • Условные обозначения с общими данными
  • Поэтажная система водоснабжения и канализации
  • Аксонометрическая схема водоснабжения и канализации
  • Узлы и спецификация материалов

              Отопление, вентиляция

  • Условные обозначения с общими данными
  • Система вентиляции
  • Система отопления
  • Аксонометрическая схема системы отопления
  • Тепловая схема
  • Спецификация материалов

             Электротехнические решения:

  • Условные обозначения и общие данные
  • Принципиальная схема ВРУ
  • План сетей освещения, план силовых сетей
  • Схема системы уравнения потенциалов
  • Схема повторного контура заземления
  • Спецификация материалов

Проект является типовым и не учитывает конкретных условий строительства

Срок изготовления проекта дома составляет от 3 до 30 рабочих дней.

Объем проектной документации – от  50 до 100 страниц А4 и А3, в зависимости от сложности проекта

 

Наша команда Архитекторов, Конструкторов и Инженеров – всегда готовы воплотить Вашу мечту в реальность!

Мы можем вносить любые изменения в проект по Вашему пожеланию и адаптировать его с учетом конкретных геолого-топографических и климатических условий, за дополнительную плату.

  • Получить профессиональную консультацию у наших специалистов, Вы можете любым способом связи: закажите обратный звонок, по viber, e-mail, телефон - наши контакты.

Всегда рады Вам помочь!

Прочитать полный текст
Дополнительные пакеты

Пакет "Инженерные сети"

Любой архитектурно-строительный проект состоит из трех частей: архитектурной, конструкторской и инженерной. Это документ, без которого застройщик не получит разрешение на начало строительства.

Основной частью проекта являются архитектурный и конструкторский разделы. Если заказчик точно уверен, что в строительной бригаде найдутся толковые специалисты по инженерным сетям, то от разработки этой части проекта в специализированной фирме можно отказаться. Но необходимо понимать, что архитектор, конструктор и инженер работают над проектом сообща и такие моменты, как, например, штробы и проемы в стенах для прокладки труб и проводов, предусматриваются ими заранее.

Инженерная часть проекта делится на несколько частей

  • Водоснабжение и канализация (ВК)
  1. схема водоснабжения
  2. схема канализации
  3. общий вид системы.

Прежде, чем приступать к проектированию, необходимо определиться, какая будет коммуникация – индивидуальная или подключенная к централизованной системе.

Индивидуальное водоснабжение дает полную независимость от внешних условий. Но необходимо помнить, что понадобятся собственные источники воды, а бурение скважины обойдется в приличную сумму.

Подключение к централизованной системе потребует разработки проекта в соответствии с техническими условиями существующей сети и получение разрешения на врезку.

При подключении канализации к централизованной системе, порядок работы такой же, как и при подключении водоснабжения: оформление запроса в соответствующие службы, разработка проекта, получение разрешения на врезку в систему. Если вы решили организовать индивидуальную канализационную систему, то время от времени вам придется приглашать ассенизаторскую службу.

  • Отопление и вентиляция (ОВ)
  1. схема отопления: расчет необходимой мощности оборудования, схемы распределения теплотрасс, расположение труб и радиаторов
  2. схема вентиляции: привязка к силовому электрооборудованию, вентиляционные коммуникации и шахты, узлы проходов и, если необходимо, места размещения печей и каминов
  3. обвязка котла (если необходимо)
  4. общие указания и рекомендации по разделу.

Если система вентиляции это всегда индивидуальное проектирование, то отопление может быть как индивидуальным (печное, воздушное, водяное, электрическое), так и с подключением к централизованным сетям.

  • Электроснабжение (ЭТР)
  1. разводка освещения
  2. разводка силовых сетей
  3. схема ВРУ
  4. система по заземлению
  5. детальное описание и характеристики всех элементов системы.

Электрические системы можно разделить на обязательные и дополнительные. К обязательным относятся внутреннее и наружное освещение, системы вентиляции, кондиционирования и электроотопления. К дополнительным можно отнести такие системы, как "Теплый пол" или автоматизированное управление воротами.

ВАЖНО

  • В каждой из частей инженерного раздела проекта должны содержаться общее и технические описания, спецификации материалов и необходимого оборудования.
  • Чертежи элементов всех систем и поэтажной электрической разводки выполняются в масштабе 1:100.

 

Цена: от 21 BYN / м²

Пакет "Инженерные сети"

Пакет "Инженерные сети"

Проект инженерных сетей позволит грамотно проложить коммуникации и сделать дом по-настоящему комфортным и современным.

  • Цена: от 21 BYN / м²

Изменения в проекте

Все наши типовые проекты учитывают основные потребности среднестатистической семьи, правда, в таком случае говорить об индивидуальности вашего будущего жилища не приходится. Но, чтобы дом выглядел оригинально и полностью соответствовал вашим требованиям, мы готовы внести изменения в проект.

ВАЖНО:

  • изменения не должны влиять на надежность и качество дома
  • множественные изменения вряд ли кардинально улучшат проект. В таком случае стоит подумать об индивидуальном проектировании с нуля

Могут быть внесены следующие изменения в проекте дома

  • перенос стенных перегородок, но без перемещения несущих стен, позволяет сделать перепланировку и изменить назначение комнат
  • изменение расположения окон и дверей позволит максимально реализовать ваши представления о комфорте
  • изменение типа перекрытий и стен
  • изменение высоты потолков;
  • добавить мансардный этаж
  • изменение угла наклона кровли и навесов
  • изменение типа фундамента, с учетом особенностей грунта на участке, добавить или изменить подвальное помещение и цокольный этаж
  • добавить или убрать гараж, навес, открытую стоянку или внести изменения в уже существующий проект
  • заменить конструктивный состав или добавить строительные и отделочные материалы
  • получить проект в зеркальном отображении

Цена: от 300 BYN

Изменения в проекте

Изменения в проекте

Дом, построенный по типовому проекту, может выглядеть оригинально 

  • Цена: от 300 BYN

BIMx модель

Мы идем в ногу со временем и уже сегодня предлагаем вам возможность  получить вместе с проектной документацией  BIMx  модель -  основанной на технологии, обеспечивающей одновременную навигацию по 2D-документации и 3D-моделям зданий. 

Теперь вы сможете «покрутить, походить внутри, увидеть ваш будущий Дом со всех сторон» Посмотреть все размеры и высоты, спецификации проемов и тд. Вы получите файл, который будет вашим надежным, удобным помощником для  контроля строительства.

*Файл вы получаете в электронном виде и используете с помощью приложения BIMX на мобильных устройствах Apple и Android

Приложение BIMX доступно бесплатно в Play Market, App store

Демонстрация BiMx

 

Цена: 480 BYN 

 

BIMx модель

BIMx модель

BIMx  модель - интерактивный просмотр трехмерной  модели вашего дома. Теперь вы сможете «покрутить, походить внутри, увидеть ваш будущий Дом со всех сторон»

  • Цена 480 BYN.

Пакет "Адаптация фундамента"

Сложно предугадать, какая почва будет на участке, где планируется построить дом. Поэтому типовые проекты домов разрабатываются с учетом усредненных параметров грунта. Но зачастую они существенно отличаются от инженерно-геологических параметров реального участка застройки. Следовательно, фундамент придется адаптировать под конкретный проект. 

Для этого и разработан этот пакет , который включает в себя

  • выбор фундаментных конструкций
  • расчет технических показателей:
  1. глубина закладки подошвы фундаментов
  2. несущие способности
  3. предельное напряжение грунта под подошвой фундамента
  4. площадь сечения рабочей арматуры, проч.
  • создание чертежей нулевого цикла

Адаптация фундамента, выполненная профессионалами, дает полную гарантию его надежности, а значит и надежности всего дома. Более того, строительство фундамента, адаптированного по уточненным инженерно-геологическим данным, может оказаться дешевле, чем вариант, изначально предложенный в проекте.

 

Цена:  от 800 BYN 

Пакет "Адаптация фундамента"

Пакет "Адаптация фундамента"

Подготовка проекта фундамента под конкретный участок

  • Цена: от 800 BYN

Индивидуальное проектирование

За желание быть оригинальным и непохожим на всех, приходится платить. Это утверждение справедливо и для индивидуального проектирования домов. Да, такой проект всегда уникален и полностью учитывает все пожелания застройщика. Но он и обойдется дороже типового. Но здесь, как говорится, все зависит от предпочтений и финансовых возможностей клиента.

Но иногда бывает и так, что ситуацию может спасти только индивидуальное проектирование. Например, когда заказчик увидел дом в глянцевом журнале и категорически требует, чтобы его жилище выглядел именно так. Вот более прозаический случай: под застройку выбран нестандартный участок. А бывает и так, заказчик в уже выбранный типовой проект вносит такое количество изменений и дополнений, что проще, а главное, дешевле будет разработать "проект с нуля".

Создание индивидуального проекта включает в себя:

  • подготовка и утверждение техзадания
  • заключение договора на проектные работы и предоплата
  • создание концепции дома, выбор стиля и планировочных решений
  • согласование планов фасадов и помещений
  • разработка эскизного проекта, который необходим для получения разрешения на строительство
  • проработка разделов проекта.

Дополнительно можно заказать:

  1. Проекты дополнительных сооружений на участке -гараж, мастерская, баня, проч.
  2. Визуализацию проекта в формате 3D.

Определиться со стилем будущего дома можно в каталоге  "Индивидуальное проектирование".

Цена: от 20 BYN / м²

Индивидуальное проектирование

Индивидуальное проектирование

Реализуйте свою индивидуальность с индивидуальным проектом!

  • Цена: от 20 BYN / м²

Пакет "Тендерное предложение"

Для любого застройщика вопрос из веселого детского стишка "что нам стоит дом построить…?" далеко не праздный. Тем более что стоимость возведения дома зависит от множества факторов. Поэтому, не стоит прикидывать расходы "на глазок". Не обладая полной информацией, посчитать все до мелочей не получится и, в конечном итоге, себе же дороже обойдется. И, кроме того, тщательный просчет стоимости материалов и работ влияет не только на ваши финансы, но и на сроки постройки дома.

Предельно точно рассчитать затраты на строительство вы сможете воспользовавшись услугой "Тендерное предложение", разработанной нашими специалистами. По сути, это документ, в котором приводится полный список всех стройматериалов и работ с указанием их объемов.

Наличие тендерного предложения позволяет:

  • получить реальную картину затрат на предстоящее строительство
  • привлечь строительную фирму, которая способна предложить самые выгодные условия выполнения работ
  • не только понимать суть строительного процесса, но и со знанием дела контролировать расход стройматериалов, самостоятельно корректируя цены по каждому пункту
  • грамотно контролировать действия подрядчиков на всех этапах строительства

тендерное предложение, подкрепленное информацией о стоимости материалов и строительных работ – серьезный аргумент для получения в банке кредитных средств.

Нашим заказчикам DOM4M предоставляем тендерное предложение в виде таблицы в формате *.xls. Это позволит вам, после тщательного проведения анализа документа, отредактировать его самостоятельно.

 

Цена: 660 BYN

 

Пакет "Тендерное предложение"

Пакет "Тендерное предложение"

Закажите подробную смету. Стройте с выгодой для себя!

  • Цена 660 BYN.

Пакет "Антилед"

В снежную зиму сугробы и лед на крыше доставляют массу хлопот. Перекрытия в современном доме вряд ли проломятся под их тяжестью, но снег за шиворотом и свисающие сосульки – это не самое приятное. Можно, конечно, и дедовским способом почистить крышу. Помахать лопатой на морозе 2-3 часа, время от времени прикрикивая на домочадцев в духе Василия Алибабаевича из "Джентльменов удачи": "Ты сюда не ходи, ты сюда ходи! Снег башка попадет"…

Но в современном мире уже давно придуманы удобные и эффективные системы снеготаяния и антиобледенения. И, кстати, используются они не только для крыш. Их основа – нагревательные кабели. Системы работают по принципу "теплый пол", но отличаются большей мощностью и меньшим шагом укладки кабеля.

Пакет "Антилед" представляет собой проектную документацию, разработанную с учетом особенностей энергоснабжения конкретного дома:

  • для плоской кровли и водостоков
  • для входной группы
  • для подъезда к гаражу.

Важно:

  • для сложной многоскатной кровли специалисты Нашей компании спроектируют систему "Антилед" по индивидуальному заказу.

Цена: 420 BYN

Пакет "Антилед"

Пакет "Антилед"

Ваш комфорт и безопасность в зимнее время

  • Цена 420 BYN.

Пакет "Молниезащита"

Зачастую застройщики не придают большого значения защите собственных домов от молнии: кто-то экономит, кто-то считает, кто-то надеется на "авось". Но года через 3-4 после постройки дома, многие вспоминают о защите от молнии. Толи у соседа в грозу погорела вся бытовая техника, толи на глаза попалась статистика о том, сколько за год случается пожаров из-за молний.

Предлагаем решить вопрос сразу: предусмотреть защиту уже на стадии проектирования дома. Об этом стоит задуматься хотя бы из чисто эстетических соображений – не нужно будет лишний раз долбить стены дома и тянуть токоотвод по фасаду, нарушая продуманный внешний вид здания. 

Защита дома от молнии - это система устройств, расположенных как вне дома, так и внутри помещений. Внешняя молниезащита предупреждает попадание молнии в дом, внутренняя - обеспечивает защиту электросети от резких скачков напряжения. А специальные устройства защищают электротехнику от резких изменений электромагнитного поля в радиусе удара молнии.

В пакет "Молниезащита" входят

  • план-схема расположения молниеприемников, принимающих на себя прямые удары молний
  • схема-разрез токоотвода, отводящего ток от молниеприемника к заземлению
  • схема контура заземления, которое распределяет энергию молнии в почве, обеспечивая полную безопасность
  • усредненные расчеты сопротивления
  • подробный перечень необходимых материалов
  • рекомендации по реализации проекта.

Пакет "Молниезащита" от компании Dom4M гарантирует вам безопасноть дома даже в самую сильную грозу.

Цена: 420 BYN

Пакет "Молниезащита"

Пакет "Молниезащита"

Защита от молнии: подумайте о безопасности заранее

  • Цена 420 BYN.

Пакет "Центральный пылесос"

«Центральный пылесос» представляет собой разновидность системы аспирации (удаление мелких частиц посредством засасывания их воздушным потоком).

Система состоит из:

  • пылесос (устанавливается в техническом помещении);
  • система воздуховодов, по которым движется пыле-воздушная масса (чаще осуществляется скрытый монтаж в подготовке пола либо в пространстве за подшивным потолком);
  • пневморозетки и пневмосовки (к первым подключается гибкий шланг с телескопической штангой и насадкой, как в обычном пылесосе, вторые предназначены для экспресс-уборки, как правило, на кухне). 

 

 Плюсы:

  • удаляемый запыленный воздух не попадает обратно в помещение, а «выбрасывается» после агрегата на улицу;
  • Отсутствие шума в убираемых помещениях. 
  • Удобство уборки без «перетягивания» пылесоса из помещения в помещение, без использования удлинителей.
  • Скрытый монтаж системы, в комнате нет ничего кроме пневморозетки.

Цена: 480 BYN

Пакет "Центральный пылесос"

Пакет "Центральный пылесос"

Неотъемлемая часть современного дома - комфорт, чистота и свежий воздух

  • Цена: 480 BYN

Пакет "Комфортный дом"

Толковые словари утверждают, что комфорт - это совокупность бытовых удобств, без которых немыслима жизнь современного человека в современном доме. Большинство таких удобств закладываются еще на стадии проектирования. Но мы готовы расширить их список и помочь клиентам сделать собственное жилье максимально комфортным.

Поэтому наша компания Dom4m разработала для вас пакет "Комфортный дом", который позволит сделать жилище более прохладным в жаркий летний день, а в зимние холода – уютным и теплым.

В пакет "Комфортный дом" входят

  • Проект "теплого пола". Это современная технология обогрева дома. Ее можно использовать,  подключившись и к местной, и к централизованной системе отопления. Кроме того, полы с подогревом могут быть как основным, так и дополнительным источником тепла в помещении. Главное достоинство системы в том, что она создает равномерный тепловой режим, не сушит воздух и при этом органично вписывается в любой интерьер.
  • Проект системы вентиляции с рекуперацией. В отличие от традиционных систем, вентиляция с рекуперацией дает возможность сэкономить значительные средства при эксплуатации. Суть системы состоит в том, что отработанный воздух, проходя через рекуператор, отдает свое тепло, холодному потоку, заходящему с улицы. Все гениальное просто. Такая система позволяет в разы снизить затраты на отопление. Экономия доходит до 80%. А, кроме того, снижается нагрузка на сети. В летнее время с помощью системы вентиляции с рекуперацией можно охлаждать теплый воздух с улицы. А здесь вы уже получаете экономию от уменьшения потребления энергии при кондиционировании дома.
  • Проект системы кондиционирования. Такой проект предлагает вам на выбор канальный кондиционер с распределением воздушных потоков по помещениям или мульти-сплит систему, позволяющую к внешнему блоку подключить сразу несколько внутренних.

 

 

Цена: 1700 BYN

 

Пакет "Комфортный дом"

Пакет "Комфортный дом"

Не отказывайте себе в комфорте.  Дополнительный пакет "Комфортный дом" для тех, кто по-настоящему ценит домашний уют

  • Цена: от 1 700 BYN

Пакет "Теплый пол"

Технология "Теплый пол" стала важной составляющей в поддержании оптимального температурного режима и организации общей комфортной среды в доме. Такое оборудование способно эффективно дополнить любую систему отопления. Кстати, иногда "Теплый пол" может выступать и как основной способ обогрева дома. За счет использования такого оборудования, температура пола на 2-3о выше, чем температура на уровне головы взрослого человека.

А все помещение равномерно прогревается на высоте до 1,5 метра. Как говорится: держи голову в холоде, а ноги в тепле.

Если в вашей семье есть маленький ребенок, это станет решением многих вопросов. Да и вам комфортное тепло в холодное время года не помешает.

Пакет "Теплый пол", подготовленный нашими специалистами, позволит вам по достоинству оценить эту технологию:

  • тепло равномерно распределяется по всему помещению
  • воздух прогревается за считаные минуты
  • элементы системы скрыты и не портят общий вид помещения
  • продуманная система управления с помощью сенсорной системы или дистанционного пульта позволяет быстро отрегулировать и эффективно поддерживать заданную температуру
  • долговечность и надежность такой системы отопления подтверждена эксплуатацией в различных климатических условиях.

Пакет "Теплый пол" предполагает разработку индивидуального проекта:

  • выбор типа и конструкции системы
  • подбор наиболее экономных и надежных циркуляционных насосов
  • расчет параметров системы
  • расчет теплопотерь
  • оптимальная схема системы отопления с указанием контура отопления и его площади, шага укладки, типа и диаметров нагревательных элементов.

Цена:  от 9 BYN / м²

Пакет "Теплый пол"

Пакет "Теплый пол"

Создайте комфортный климат в вашем доме. Пакет "Теплый пол"

  • Цена: от 9 BYN / м²

Адаптация проекта под сейсмозоны

Подобрать достойный проект дома для сейсмоопасного района - большая проблема. Сложность заключается в том, что специализированных проектов не так уж много. Поэтому подобрать дом, соответствующей вашим представлениям о комфортном и уютном жилище достаточно проблематично.

Компания Dom4M берется адаптировать любой собственный проект под сейсмоопасный регион, где разрешена жилая застройка. Таким образом, вам не придется соглашаться на компромиссный вариант – безопасность в ущерб внешнему виду или наоборот. Мы гарантируем, что ваш дом будет уютным, красивым и безопасным.

Важно

  • адаптация предполагает изменения в проекте для его соответствия Строительным нормам по разделу Строительство в сейсмически опасных регионах
  • количество и сложность изменений зависит от выбранного проекта и сейсмических характеристик района.

 

Цена: от 1670 BYN

 

Адаптация проекта под сейсмозоны

Адаптация проекта под сейсмозоны

Сейсмически безопасный дом: и надежно, и красиво

  • Цена: от 1 670 BYN

Дополнительная копия проекта

Типовой пакет документации предполагает наличие двух экземпляров проекта дома. Первый остается у заказчика, а второй экземпляр передается строителям. В случае необходимости, вы можете дозаказать третий экземпляр проекта.

Такую копию не обязательно делать. Она может пригодиться вам только в нескольких случаях. Обычно, это делается для того, чтобы предоставить проект третьим лицам, например, поставщикам материалов. Если время дорого, то наличие дополнительного проекта дома поможет существенно ускорить работу по адаптации проекта, а наличие таких копий сразу у нескольких специалистов позволит существенно сократить сроки строительства.

А, кроме того, наличие копии проекта поможет, в случае необходимости, без лишней нервотрепки и затрат времени восстановить утерянные или испорченные документов.

Звоните! В компании Dom4M к вашим проблеме отнесутся с максимальным вниманием. Наши специалисты оформят дополнительную копию проекта в самые сжатые сроки.

Цена: 120 BYN

Дополнительная копия проекта

Дополнительная копия проекта

Для предусмотрительных: дополнительная копия проекта с печатью

  • Цена 120 BYN.
Фасады

Оригинальный проект дома с двухскатной крышей 4M807

Хаби Алонсо, футболист с мировым именем, занявший 37-е место в топ-50 лучших футболистов FIFA-2014, в прошлом году обзавелся домом, расположенном в хорватском городе Сплит на берегу Адриатического моря.

Несмотря на то, что Хаби – испанец, он решился на покупку дома в Хорватии тогда, когда впервые увидел его. Дом построен в современном стиле, его фасад выполнен в песочных цветах, а крыша укрыта черепицей контрастного темно-зеленого цвета.

Когда Алонсо приезжает домой, он никогда не бывает в доме один: Хаби проводит время с друзьями и семьей. Из прислуги у спортсмена работают только садовник и горничная. Когда он находится в разъездах, то они поддерживают чистоту дома и сада.

Во время пребывания в доме у Хаби есть ритуал: он обедает исключительно на балконе второго этажа. Там стоит стол на две персоны, и несколько южных пальм в кадках, отлично растущих в теплом морском климате. Прямо с балкона открывается вид на море, поэтому прием пищи у футболиста сопровождается ни с чем несравнимым эстетическим наслаждением от красоты местной природы.

Сплит – тихий городок, поэтому Хаби смело выбирается за пределы дома, не боясь столкнуться с журналистами, и гуляет по окрестностям. Сколько бы не длилась его прогулка, Алонсо всегда с удовольствием возвращается в свой дом, чтобы в очередной раз полюбоваться его оригинальной конструкцией и отправиться спать в спальню, обставленную по собственному вкусу, которую не заменит даже самый роскошный гостиничный номер.

Хаби Алонсо, футболист с мировым именем, занявший 37-е место в топ-50 лучших футболистов FIFA-2014, в прошлом году обзавелся домом, расположенном в хорватском городе Сплит на берегу Адриатического моря.

Несмотря на то, что Хаби – испанец, он решился на покупку дома в Хорватии тогда, когда впервые увидел его. Дом построен в современном стиле, его фасад выполнен в песочных цветах, а крыша укрыта черепицей контрастного темно-зеленого цвета.

Когда Алонсо приезжает домой, он никогда не бывает в доме один: Хаби проводит время с друзьями и семьей. Из прислуги у спортсмена работают только садовник и горничная. Когда он находится в разъездах, то они поддерживают чистоту дома и сада.

Во время пребывания в доме у Хаби есть ритуал: он обедает исключительно на балконе второго этажа. Там стоит стол на две персоны, и несколько южных пальм в кадках, отлично растущих в теплом морском климате. Прямо с балкона открывается вид на море, поэтому прием пищи у футболиста сопровождается ни с чем несравнимым эстетическим наслаждением от красоты местной природы.

Сплит – тихий городок, поэтому Хаби смело выбирается за пределы дома, не боясь столкнуться с журналистами, и гуляет по окрестностям. Сколько бы не длилась его прогулка, Алонсо всегда с удовольствием возвращается в свой дом, чтобы в очередной раз полюбоваться его оригинальной конструкцией и отправиться спать в спальню, обставленную по собственному вкусу, которую не заменит даже самый роскошный гостиничный номер.

Прочитать полный текст
Комментарии
Чтобы оставить комментарий, Вы должны либо заполнить поля ниже, либо авторизироваться на сайте.
Загрузить фото, до 5 штук
Ваша оценка:
Подобные
ЗАКАЗАТЬ
Категории
© 2010-2021 Dom4M. Все права защищены
This site is protected by reCAPTCHA and the Google Privacy Policy and Terms of Service apply